| Stato di disponibilità: | |
|---|---|
| Quantità: | |
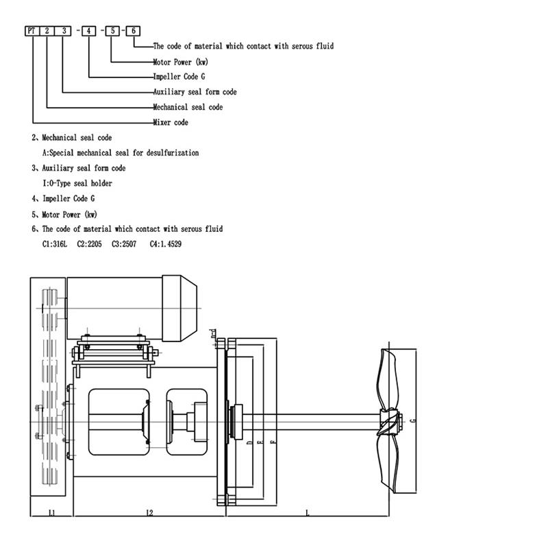
Introduzione del miscelatore ad ingresso laterale PT-Belt-Type:
Utilizzo della desolforazione dei gas di scarico: impedisce principalmente la sedimentazione dei solidi dal serbatoio dei liquami e garantisce che i liquami possano essere trasportati uniformemente al processo successivo.Rafforzare la diffusione dell'aria ossidata, promuovere anche l'ossidazione del solfito di calcio, la crescita dei cristalli di gesso e la dissoluzione del calcare.L'utilizzo di questa apparecchiatura presenta numerosi vantaggi, tra cui piccoli investimenti, funzionamento conveniente, alta efficienza, basso consumo energetico, bassa elettricità statica generata nel mezzo e garanzia di qualità del prodotto.
Questo tipo di miscelatore può essere utilizzato anche per il trattamento delle acque reflue e per l'industria della produzione della carta.
Materiale
Come è progettato il miscelatore di ingresso lato desolforazione per il programma?
Il lato di desolforazione entra nell'agitatore è diverso da altre apparecchiature di miscelazione.Rispetto ad altre apparecchiature di miscelazione, il miscelatore ad ingresso laterale FGD ha una propria procedura di progettazione unica.Di seguito, vediamolo insieme.
1. Durante la progettazione dell'agitatore con ingresso laterale per la desolforazione, possiamo selezionare i requisiti di coppia o potenza di diverse velocità in base al valore D/DT esistente dell'apparecchiatura utente e ai requisiti del cliente in termini di tempo di miscelazione e grado di agitazione.Tra questi, il grado di agitazione è limitato dalla differenza di viscosità del materiale, dalla differenza di gravità specifica e dal fatto che si tratti di un fluido newtoniano.
2. Selezionare un'altezza di installazione della girante ragionevole e combinare l'attrezzatura per stimare la lunghezza approssimativa dell'albero dell'agitatore.
3. Stimare la potenza motore ragionevole.
4, fare riferimento alle prestazioni esistenti, come il consumo energetico della girante, il riduttore, il suo albero di uscita, le staffe, ecc., selezionare l'agitatore che può soddisfare i primi tre requisiti.
5. In base a condizioni quali la velocità della punta della pala, determinare la velocità di rotazione più adatta, ottimizzare il progetto e controllare e analizzare la dinamica e la resistenza del sistema di alberi in base alle condizioni determinate.
Hot Tags: agitatori ad ingresso laterale per desolforazione, Cina, produttori, fornitori, fabbrica, acquisto, personalizzato, preventivo, made in China
Introduzione del miscelatore ad ingresso laterale PT-Belt-Type:
Utilizzo della desolforazione dei gas di scarico: impedisce principalmente la sedimentazione dei solidi dal serbatoio dei liquami e garantisce che i liquami possano essere trasportati uniformemente al processo successivo.Rafforzare la diffusione dell'aria ossidata, promuovere anche l'ossidazione del solfito di calcio, la crescita dei cristalli di gesso e la dissoluzione del calcare.L'utilizzo di questa apparecchiatura presenta numerosi vantaggi, tra cui piccoli investimenti, funzionamento conveniente, alta efficienza, basso consumo energetico, bassa elettricità statica generata nel mezzo e garanzia di qualità del prodotto.
Questo tipo di miscelatore può essere utilizzato anche per il trattamento delle acque reflue e per l'industria della produzione della carta.
Materiale
Come è progettato il miscelatore di ingresso lato desolforazione per il programma?
Il lato di desolforazione entra nell'agitatore è diverso da altre apparecchiature di miscelazione.Rispetto ad altre apparecchiature di miscelazione, il miscelatore ad ingresso laterale FGD ha una propria procedura di progettazione unica.Di seguito, vediamolo insieme.
1. Durante la progettazione dell'agitatore con ingresso laterale per la desolforazione, possiamo selezionare i requisiti di coppia o potenza di diverse velocità in base al valore D/DT esistente dell'apparecchiatura utente e ai requisiti del cliente in termini di tempo di miscelazione e grado di agitazione.Tra questi, il grado di agitazione è limitato dalla differenza di viscosità del materiale, dalla differenza di gravità specifica e dal fatto che si tratti di un fluido newtoniano.
2. Selezionare un'altezza di installazione della girante ragionevole e combinare l'attrezzatura per stimare la lunghezza approssimativa dell'albero dell'agitatore.
3. Stimare la potenza motore ragionevole.
4, fare riferimento alle prestazioni esistenti, come il consumo energetico della girante, il riduttore, il suo albero di uscita, le staffe, ecc., selezionare l'agitatore che può soddisfare i primi tre requisiti.
5. In base a condizioni quali la velocità della punta della pala, determinare la velocità di rotazione più adatta, ottimizzare il progetto e controllare e analizzare la dinamica e la resistenza del sistema di alberi in base alle condizioni determinate.
Hot Tags: agitatori ad ingresso laterale per desolforazione, Cina, produttori, fornitori, fabbrica, acquisto, personalizzato, preventivo, made in China